Zum Hauptinhalt springen

Luftgewehr Diana 48 Ersatzteile

Suchergebnisse: 1-12 von 12

Diana 48 Ersatzteile für das Luftgewehr

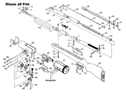
Hier finden Sie für das Luftgewehr Diana 48 die Explosionszeichnung und die originalen Ersatzteile. Bitte wählen Sie die richtige Modell-Variante T05 oder T06

Laufmantel Diana 48-52 Luftgewehr

Laufmantel Diana 48-52 Luftgewehr - Die Ummantelung für den Lauf. Dieses Diana Ersatzteil hat die Pos. 10 auf der Explosionszeichnung
32,90 € *
DIANA

Scheibe F für die Laufdichtung Diana 48F - 470TH Luftgewehr

Scheibe F für die Laufdichtung Diana 48F - 470TH Luftgewehr Luftgewehr - diese Scheibe ist Teil der Energiereduzierung auf 7,5 Joule und wird mit der F-Feder i…
1,99 € *
DIANA

Exportfeder für das Luftgewehr Diana Modell 48 - 52 - 54

Exportfeder für Luftgewehre Diana 48, Mod. 52, Mod. 54. Der Einbau dieser starken Feder beschleunigt die Diabolos im Kaliber 4,5 mm bis auf 320 m/s. Natürlich…
17,95 € *

Kolben mit Kolbendichtung T06 für Diana Luftgewehre 48-56th & 460 470TH

Kolben mit Kolbendichtung T06 für Diana Luftgewehre 48-56th & 460 470TH
42,95 € *
DIANA

Federführung Luftgewehr Diana 48 - 52 - 54 - 56TH - 470TH

Federführungsrohr - diese Federführung passt für die Luftdruckgewehre Diana 48 - 52 - 54 - 56TH und 470TH. Lieferung inkl. der Scheibe.
9,95 € *
DIANA

Zugstangenverkleidung für die Luftgewehre Diana 48 – 52 – 54 – 56 TH

Zugstangenverkleidung für die Luftdruckgewehre mit Seitenspannhebel Diana 48 - 52 – 54 -56 TH
3,95 € *

Schloßstück Abzug Diana 24D,26,28,34,36,38,45T01, 46, 48, 350 Magnum, 52, 52T01 alte Ausführung

Schloßstück Abzug Diana 34,36,38,45T01, 46, 48, 350 Magnum, 52, 52T01 alte Ausführung.
19,95 € *

Federstütze Abzug Diana 34,36,38,45T01, 46, 48, 350 Magnum, 52, 52T01 alte Ausführung

Federstütze Abzug Diana 34,36,38,45T01, 46, 48, 350 Magnum, 52, 52T01 alte Ausführung. Die 3 Stahlkugeln sind in der Stütze enthalten.
21,95 € *
DIANA

Schloßkasten Diana 24D/26/28/34/36/38/45T01/48/52/54/350 Magnum alte Ausführung

Schloßkasten Diana 24D/26/28/34/36/38/45T01/48/52/54/350 Magnum alte Ausführung
29,95 € *

Abschlusshülse Diana 460/48/52/300R/470TH Abschlußdeckel

Abschlusshülse Diana 460/48/52/300R/470TH Abschlußdeckel. Passender Abschluss für den Zylinder bei Dina Luftgewehren. Diana Artikelnummer: 30367100
5,95 € *
DIANA

Bolzen mit Nut für Diana 48, 52, 54, 75, 75 T01 & 56TH – Verbindung Spannhebel/Zugstange kaufen

Bolzen mit Nut für Spannhebel und Zugstange der Diana Luftgewehre 48, 52, 54, 75, 75 T01 & 56TH. Wichtiger Ersatz für einen sauberen Spannvorgang. Jetzt günsti…
4,95 € *
DIANA

Luftgewehr Ersatzteile Diana Sicherungsscheibe 3,2 Diana LP8 Magnum

Luftgewehr Ersatzteile Diana Sicherungsscheibe 3,2. Passend u.a. für Diana LP8 Magnum
1,00 € *